Центральный замок на Лада Калина — ключевой элемент системы безопасности, обеспечивающий защиту от несанкционированного доступа. В статье рассмотрим его назначение, особенности, распространенные неисправности и методы их устранения. Эти знания помогут владельцам Лада Калина своевременно выявлять и устранять проблемы, а также правильно подключать замок в различных конфигурациях, что повысит безопасность и комфорт эксплуатации автомобиля.
Особенности штатного центрального замка
«АвтоВАЗ» устанавливает систему центрального замка с дистанционным управлением даже на самые простые версии Калины. Тем не менее, для надежной защиты автомобиля от угона такой системы явно недостаточно. Управление центральным замком Лады Калины также осуществляется из салона. На водительской двери, рядом с панелью управления стеклоподъемниками, расположена кнопка центрального замка. Ключ зажигания выполняет функцию пульта дистанционного управления. На его пластиковой поверхности находятся три кнопки, каждая из которых выполняет свою задачу:
- Отпирание. Одно нажатие – срабатывает актуатор, и открывается дверь водителя, два нажатия – открываются остальные двери.
- Закрытие. Для одновременного закрытия всех дверей достаточно нажать кнопку один раз.
- Открытие багажника. Эта функция присутствует не во всех комплектациях, так как требует актуатора замка багажника. Также возможно установить электропривод самостоятельно.
Калина также предлагает важную функцию – блокировку задних дверей, известную как защита от детей. Чтобы активировать эту функцию, необходимо повернуть красную фишку возле замка с внешней стороны вправо с помощью ключа. После этого задние двери не смогут открываться из салона, что предотвращает случайное выпадение детей во время движения.
Однако противоугонная система центрального замка не обладает дополнительными функциями, такими как датчики удара. Все, что может сделать центральный замок, это сигнализировать о несанкционированном открытии.
Эксперты отмечают, что управление центральным замком на Лада Калина является важным аспектом безопасности и удобства эксплуатации автомобиля. Система, как правило, обеспечивает автоматическую блокировку дверей при движении, что значительно снижает риск несанкционированного доступа. Однако, по мнению специалистов, некоторые владельцы сталкиваются с проблемами, связанными с работой центрального замка, такими как зависание или некорректная реакция на команды. Это может быть связано как с износом механических компонентов, так и с неисправностями в электрической системе. Регулярное техническое обслуживание и диагностика помогут предотвратить подобные ситуации и продлить срок службы системы. В целом, правильное использование и своевременное обслуживание центрального замка способствуют повышению уровня безопасности автомобиля и комфорта его владельца.

Основные неисправности центрального замка и методы их устранения
Бывают случаи, когда после нажатия кнопки отпирания дверей можно столкнуться с отсутствием реагирования на команду. Блокировка не снимается и на нажатия кнопок на пульте ЦЗ не реагирует. Вывод – не работает центральный замок Калины.
Получить доступ в салон можно с помощью ключа, но в таком случае звуковая сигнализация не деактивируется, и об открытии авто узнают все. Если система не реагирует на команды пульта ДУ, проблем может быть не так много: либо сели батарейки в пульте и нужно их заменить, либо потеряна синхронизация. В этом случае требуется не ремонт, а восстановление работоспособности системы.
https://youtube.com/watch?v=QwQIcpG2_iY
| Функция центрального замка | Описание | Возможные проблемы и решения |
|---|---|---|
| Закрытие/открытие всех дверей | Осуществляется с помощью кнопки на ключе, кнопки на панели приборов или поворотом ключа в водительской двери. | Не закрываются/открываются все двери: Проверьте предохранитель центрального замка, батарейку в ключе, целостность проводки. Возможно, неисправен актуатор одной из дверей или сам блок управления ЦЗ. |
| Блокировка дверей при движении | Автоматическое запирание дверей при достижении определенной скорости (обычно 10-20 км/ч) для повышения безопасности. | Двери не блокируются автоматически: Проверьте настройки функции в бортовом компьютере (если есть), датчик скорости, целостность проводки. |
| Разблокировка дверей при выключении зажигания | Автоматическое отпирание всех дверей при выключении двигателя для удобства выхода пассажиров. | Двери не разблокируются при выключении зажигания: Проверьте настройки функции, целостность проводки, работу замка зажигания. |
| Защита от случайного открытия | Предотвращение открытия дверей изнутри, если они были заблокированы снаружи (например, «детский замок»). | Детский замок не работает: Проверьте механический переключатель на торце двери, целостность тяг и замка. |
| Управление багажником | Открытие багажника с помощью кнопки на ключе или кнопки в салоне. | Багажник не открывается: Проверьте предохранитель, целостность проводки, работу актуатора замка багажника. |
| Световая индикация | Мигание поворотников при закрытии/открытии дверей для подтверждения срабатывания ЦЗ. | Нет световой индикации: Проверьте настройки сигнализации (если установлена), целостность проводки к поворотникам. |
| Звуковая индикация | Короткий звуковой сигнал при закрытии/открытии дверей (если установлена сигнализация). | Нет звуковой индикации: Проверьте настройки сигнализации, работу сирены. |
Интересные факты
Вот несколько интересных фактов о системе управления центральным замком на Лада Калина:
-
Интеграция с сигнализацией: На Лада Калина центральный замок может быть интегрирован с системой сигнализации. Это позволяет не только автоматически блокировать и разблокировать двери, но и активировать дополнительные функции, такие как сигнализация при попытке несанкционированного доступа.
-
Управление с ключа и кнопки: В зависимости от комплектации, управление центральным замком может осуществляться как с помощью ключа, так и с помощью кнопки на панели управления. Это делает процесс более удобным, особенно когда у водителя заняты руки.
-
Автоматическая блокировка: В некоторых версиях Лада Калина предусмотрена функция автоматической блокировки дверей при начале движения. Это повышает безопасность, предотвращая случайное открытие дверей во время поездки.
Восстанавливаем синхронизацию
Синхронизация может быть нарушена при кратковременном (от 6 секунд) отключении питания микросхемы в брелке. В таком случае действительно может произойти рассинхронизация, что означает потерю связи между пультом и блоком управления центрального замка Лада Калина. Согласно инструкции по эксплуатации, в подобных ситуациях необходимо повторно прописать брелок, добавив его данные в память системы центрального замка. Следует отметить, что эта процедура не самая простая и требует наличия специального обучающего ключа. Восстановить синхронизацию можно следующим образом:
- Повернуть замок зажигания ключом, который нужно синхронизировать.
- Подождать 6 секунд.
- После того как лампа иммобилайзера перестанет мигать, можно выключить зажигание.
Через 10 секунд тем же ключом снова запускают автомобиль. Если сигнальная лампочка иммобилайзера не мигает, значит, синхронизация была успешно восстановлена.
На первый взгляд, ничего сложного, но этот метод не всегда срабатывает. Если у вас есть обучающий ключ, но отсутствует ранее прописанный ключ, то сначала включают зажигание, а затем выключают его. После того как контрольная лампа иммобилайзера перестанет мигать, в течение шести секунд ключ переводят во второе положение замка зажигания (стартер).
Перевод в одиночный импульс отпирания дверей
Контроллер блока управления ЦЗ открывает двери в два этапа: одно нажатие кнопки отпирает дверцу водителя, два нажатия – все остальные. Но можно сделать так, чтобы всё отпиралось после одного нажатия. Выполнить это очень просто:
- Включить зажигание.
- Зажать кнопки отпирания и закрытия одновременно и удерживать не менее пяти секунд.
- После звукового сигнала клавишу можно отпустить.
При одиночном звуке зуммера система оповещает о переходе в новый режим. Вернуть все как было ранее так же просто. Для этого нужно повторить вышеописанную процедуру и дождаться двойного сигнала зуммера, подтверждающего переход к настройкам по умолчанию.
Замена батарейки в брелке
Признаком того, что батарея брелка разряжена, является быстрое мигание светодиода при нажатии любой кнопки. В этом случае центральный замок не будет реагировать на команды. Однако стоит отметить, что разряженная батарейка не повлияет на запуск двигателя, так как иммобилайзер сможет без проблем считать код, записанный на микросхеме, и синхронизация останется сохраненной.
Разобрать брелок довольно просто: достаточно открутить один винт на корпусе и с помощью любого подходящего инструмента снять крышку, на которой находятся кнопки. Затем следует извлечь печатную плату, под которой расположена батарейка. Необходимо определить ее тип, прочитав буквенно-цифровую комбинацию. При замене батареи важно помнить о 6-секундном ограничении: новый элемент питания нужно установить в течение этого времени, иначе потребуется восстановление синхронизации.
Народные советы
Если есть уверенность в исправности брелка, но ЦЗ не работает или работает неправильно, то можно попробовать следующее:
- Заменить предохранитель центрального замка Калина F22, защищающий цепь питания контроллера (находится в монтажном блоке).
- Возможно, нарушена цепь питания актуатора одной из дверей. В этом случае нужно открыть её на 90° и найти обрыв контакта или разъема.
- Бывает, что причина в слишком сильно затянутом саморезе брелка. Нужно его ослабить, и функции восстановятся.
В каждом конкретном случае могут возникать и нетипичные неисправности, поэтому приведенный выше перечень не является исчерпывающим.
Установка и подключение ЦЗ в зависимости от модификации Калины
Центральный замок управляется электронным модулем, к которому подключены провода, ведущие к актуаторам дверей. Также от этого блока идет провод к микровыключателю водительской двери, расположенного внутри актуатора. При установке, подключении или ремонте центрального замка после снятия обшивки левой двери необходимо найти шлейф от привода, который соединяется с разъемом на 7 контактов.
В зависимости от уровня комплектации («Норма», «Стандарт», «Люкс») под обшивкой можно обнаружить:
- Шесть проводов, идущих к разъему (привод и два микровыключателя).
- Неиспользуемые провода от привода.
- Отсутствие проводов, которые должны находиться в разъеме на контактах 4 и 6.
Если установлена сигнализация, провода 2 и 7 должны быть подключены к блоку центрального замка. В случае, если комплектация не предполагает подключение всех актуаторов, это нужно сделать самостоятельно, присоединив недостающие провода к блоку управления. Для этого можно использовать двухпроводной шлейф, который тянется от двери до блока управления центральным замком. В работе вам поможет электросхема соответствующей модификации Калины.
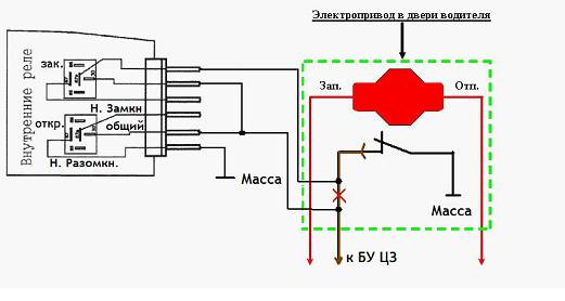
Подключение ЦЗ для комплектации «Люкс»
Данный способ актуален и для Lada Kalina Кросс в комплектации «Норма». «Люкс» и комплектации с дополнительными опциями подразумевают наличие подлокотника с установленными кнопками ЦЗ и электростеклоподъемников. От контактов кнопки нужно взять тот, на который поступает питание после нажатия, и протянуть провод к модулю сигнализации. Для подключения можно использовать следующую схему:
Данный вариант подключения подходит именно для комплектации «Люкс», так как в ней присутствует штатная сигнализация, а центральный замок может быть установлен самостоятельно, если по каким-то причинам вышел из строя.
При подключении ЦЗ необходимо все работы проводить при обесточенном электрооборудовании автомобиля. Провода нужно прокладывать так, чтобы они не касались металла. Если нет такой возможности, то устанавливается трубка в качестве зашиты кабеля от обрыва и других негативных факторов.
Подключение ЦЗ в комплектации «Норма»
В бюджетных версиях автомобилей кнопка закрытия дверей из салона отсутствует. В этом случае подключение выполняется по следующей схеме:
В отличие от подключения центрального замка в комплектациях «Люкс» модели Калина, здесь не используются резисторы и напряжение «+». При этом, когда вы нажимаете кнопку закрытия, все двери будут заблокированы, а при нажатии кнопки открытия откроется только дверь водителя. Описанные методы относятся к самым простым, более сложные схемы требуют специальных навыков, поэтому их лучше доверить специалистам на сервисной станции.
Программирование импульсов
В подключении центрального замка мало выполнить все действия в правильной последовательности, нужно ещё подобрать требуемую длительность импульса на работу замков. Если она будет слишком большой, перегреются актуаторы, если недостаточной – ее не хватит на открытие и закрытие. В люксовой комплектации вся электроника обычно «засыпает» после 15 минут бездействия. Для ее пробуждения необходим дополнительный импульс.
Центральный замок является простым устройством, но при этом он способен обезопасить автомобиль от преступников гораздо эффективнее, чем полицейская фуражка на пассажирском сиденье. Система централизованной блокировки дверных замков – самый удобный способ их быстрого открытия и закрытия. Если данную систему безопасности дополнить хорошей автосигнализацией, это позволит не оказаться в ситуации, когда авто угнали или повредили.
Советы по выбору и установке дополнительного центрального замка
При выборе и установке дополнительного центрального замка для Лада Калина важно учитывать несколько ключевых аспектов, чтобы обеспечить надежность и безопасность вашего автомобиля. Ниже приведены рекомендации, которые помогут вам сделать правильный выбор и правильно установить систему.
1. Выбор системы центрального замка
Первым шагом является выбор подходящей системы центрального замка. На рынке представлено множество моделей, и важно обратить внимание на следующие характеристики:
- Совместимость: Убедитесь, что выбранная система совместима с вашей моделью Лада Калина. Некоторые системы могут требовать дополнительных адаптеров или модификаций.
- Тип управления: Существуют системы с дистанционным управлением, а также механические варианты. Дистанционное управление обеспечивает больший комфорт, но может быть дороже.
- Безопасность: Обратите внимание на наличие дополнительных функций, таких как сигнализация или блокировка двигателя, которые могут повысить уровень безопасности вашего автомобиля.
- Отзывы пользователей: Изучите отзывы и рейтинги различных моделей, чтобы понять, какие системы зарекомендовали себя лучше всего.
2. Установка центрального замка
Установка дополнительного центрального замка требует определенных навыков и инструментов. Если вы не уверены в своих силах, лучше обратиться к профессионалам. Однако, если вы решили установить систему самостоятельно, следуйте этим рекомендациям:
- Подготовка: Перед началом установки ознакомьтесь с инструкцией к системе. Убедитесь, что у вас есть все необходимые инструменты: отвертки, плоскогубцы, изолента и т.д.
- Электропроводка: Важно правильно подключить систему к электропроводке автомобиля. Обычно это включает в себя подключение к проводам замков дверей и аккумулятору. Следуйте схемам подключения, предоставленным производителем.
- Монтаж: Установите механизмы замка в двери, следуя инструкциям. Убедитесь, что все элементы надежно закреплены и не мешают работе других механизмов автомобиля.
- Тестирование: После завершения установки проверьте работу системы. Убедитесь, что все двери открываются и закрываются с помощью центрального замка, а также проверьте работу дистанционного управления.
3. Обслуживание и профилактика
После установки системы важно регулярно проверять ее работоспособность и проводить профилактическое обслуживание. Это включает в себя:
- Проверка соединений: Регулярно проверяйте электрические соединения на наличие коррозии или повреждений.
- Замена батареек: Если ваша система использует дистанционное управление, следите за состоянием батареек и заменяйте их по мере необходимости.
- Обновление программного обеспечения: Некоторые современные системы могут требовать обновления программного обеспечения для улучшения функциональности и безопасности.
Следуя этим рекомендациям, вы сможете выбрать и установить дополнительный центральный замок на Лада Калина, который обеспечит надежную защиту вашего автомобиля и повысит уровень комфорта при его использовании.
Вопрос-ответ
Где находится блок управления центральным замком Калина 1?
Если замки живут своей жизнью, открываются на ходу, щёлкают без команды — скорее всего, глючит блок управления ЦЗ. Он стоит под приборкой, рядом с блоком предохранителей.
Почему не срабатывает центральный замок с брелка?
Если центральный замок не реагирует на сигналы с пульта, то стоит попробовать закрыть дверные замки ключом. Если двери заблокировались, то проблема в брелоке. В некоторых случаях причиной является разряд батарейки внутри брелока, которую следует заменить.
Почему сняли с производства Lada Kalina?
Из-за дефекта литья картера рулевого механизма АвтоВАЗ отозвал 171 автомобиль модели LADA Kalina, которые были выпущены.
Как настроить брелок центрального замка?
В инструкции о том, как привязать брелок к центральному замку, указано, что после сигнала машины необходимо открыть и сразу закрыть водительскую дверь, успев в течение 45 секунд. На брелке необходимо нажать любую кнопку и сразу её отпустить. Если дважды прозвучит звуковой сигнал, значит, брелок привязан к ЦЗ.
Советы
СОВЕТ №1
Перед использованием центрального замка на Лада Калина, ознакомьтесь с инструкцией по эксплуатации вашего автомобиля. Это поможет вам понять, как правильно управлять системой и избежать возможных проблем.
СОВЕТ №2
Регулярно проверяйте работоспособность центрального замка. Если вы заметили, что замок не срабатывает или работает с задержкой, обратитесь в сервисный центр для диагностики и ремонта.
СОВЕТ №3
Используйте запасной ключ для управления центральным замком. Это поможет вам избежать неприятностей в случае, если основной ключ потеряется или выйдет из строя.
СОВЕТ №4
Обратите внимание на состояние аккумулятора вашего автомобиля. Низкий уровень заряда может негативно сказаться на работе центрального замка, поэтому следите за его состоянием и при необходимости подзаряжайте или заменяйте.



